雙聯過濾器與精密過濾器的區別大致可以分為結構,產品特點,應用領域這三大點區別。

結構區別
雙聯過濾器結構
雙聯過濾器也叫并聯切換過濾器,設備是采用兩個三通球閥,將兩個單筒過濾器組裝在
一個機座上,三只支腳可調節,使得濾器能平穩放置在地面上。雙聯過濾器全部采用不銹鋼制造,雙聯過濾器內外表面拋光處理,濾筒內裝有不銹鋼濾網和濾網支撐籃,頂部裝有放氣閥,是二個柱體結構。系單層不銹鋼焊接結構,內外表面拋光,頂部裝有放氣閥。管道接頭采用脹合連接,雙聯過濾器的過濾元件,除采用不銹鋼濾芯外,亦可用優質蜂房式脫脂纖維棉,可過濾粒徑大于1μm的顆粒。供過濾時排放濾器內空氣作用。上蓋與濾筒連接采用快開式結構,方便清洗濾網。
雙聯過濾器結構圖

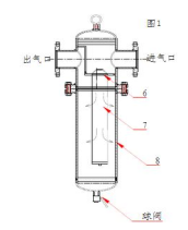
精密過濾器結構
精密過濾器由過濾罐、濾材、頂蓋、進出水閥組成,罐體外殼采用不銹鋼材質制造而成,內部濾材一般分為PP熔噴、線燒、折疊、鈦濾芯、活性炭濾芯等管狀濾芯作為過濾元件,根據不同的過濾介質及設計工藝選擇不同的過濾元件,在壓力作用下,原液通過濾材,濾渣留在管壁上,濾液透過濾材流出,最終達到過濾的目的。
精密過濾器結構圖

特點
雙聯過濾器特點
1.雙聯過濾器可以單機切換工作,也可以雙機同時工作從而擴大過濾的流量,可以24小時連續不停的工作,是不停機生產線過濾裝置之選;
2.雙聯過濾器可以進行不停機清洗,當一側的過濾器進行清洗時,另一側的過濾器依然可以保持工作,以達到24小時持續工作,大大提高了工作效率,節省工作時間。
3.雙良過濾器濾袋側漏幾率小,確保證過濾精度,并能快捷更換濾袋,過濾基本無物料消耗,降低操作成本。
4.雙聯過濾器可配套輸送泵組裝在產線移動式推車上,可以人工移動到任何生產線上進行過濾。
5.雙聯過濾器結構新穎合理、密封性好、流通性強、操作簡便、應用范圍廣泛、適應性強。
精密過濾器特點
1.精密過濾器過濾能力強,能高效去除水、油霧、固體顆粒,100%去除0.01μm及以 上顆粒,并且能將油霧濃度控制在0.01ppm/wt;
2.三級分段凈化處理,使用壽命長 。
3.結構合理,體積小、重量輕。
4.過濾器配備有防護罩塑膠外殼和鋁合金外殼。
應用領域
雙聯過濾器應用領域
1.用于日常生活用水和一些工藝上的用水進行簡單的過濾。
2.用于對水質有要求的海產品養殖中心,需要對海水進行凈化,以及一些淡水養殖的用水過濾。
3.用于工業中對冷卻水重復使用時,對生產線中多次使用后的冷卻水進行簡單的過濾。
4.用于鋼鐵,石油,化工,造紙等循環水的簡單過濾。
5.降水過后,地表水的簡單過濾,以及地下水的過濾凈化,公共場合如噴泉、景觀池水質的簡單凈化及綠化植被灌溉水的過濾。
精密過濾器應用領域
用于各種懸浮液的固液分離,可用于醫藥、食品、化工、環保等水處理等工業領域,各種涂裝設備頂棉過濾及框架式、袋式過濾器,適用于精細化工,油品,食品醫藥,水處理等場合。
本文由水天藍環保(http://www.busaas.cn/)原創首發,轉載請以鏈接形式標明本文地址或注明文章出處!



客服1